【產品介紹】
FHP13N50W采用平面工藝芯片,廣泛使用在逆變器、開關電源上。其他MOS管品牌替代型號:13N50 等。
【產品特點】
13N50為N溝道增強型高壓功率場效應管。該產品廣泛適用于DC-AC電源轉換器,DC-DC電源轉換器,高壓H橋PMW馬達驅動。
【產品參數】
|
Model |
Polarity |
Package |
VTH(V) |
ID(A) |
BVdss(V) |
Rdson[Ω](typ) |
Rdson[Ω](max) |
|
型號 |
極性 |
封裝形式 |
Vgs=10V |
Vgs=10V |
|||
|
FHP13N50W |
N |
TO-220/TO-220F |
2—4 |
13 |
500 |
0.36 |
0.45 |
【應用舉例】
逆變器:

FHP/F13N50W適用于修正波輸出的逆變器后級逆變全橋電路(Q3-Q6)。
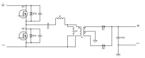
開關電源:

FHF13N50W適用于LLC拓撲結構、半橋式的開關電源上(Q1-Q2)。
【產品優勢】
一致性好,高可靠性,雪崩耐量高。可替代市場上的通標型號13N50。
熱門標簽:FHF13N50W參數FHP13N50W
返回頂部
400-831-6077
在線留言